
| 适合行业 | |
| 发布作者 | 机器人网 |
| 最近更新 | 2023-05-27 18:12:54 |
概述:
文章详情
品牌名称NEVER | ||
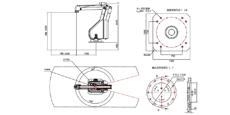
轴数4 | 精度1.5mm | 工作域3900mm |
负载1200kg | ||
大负载搬运码垛机器人 可定制2~6轴版本 可选配全进口配置 可定制更大活动半径 可定制2000KG以上负载
产品参数:
四轴、1200kg和2000kg,可选装五六轴 机型分别有: SAR1200-3900-3250 SAR2000-3900-3250 标准色:主副臂/灰白色,护罩/白色,连杆/蓝色,基座/蓝色

产品图纸:
