
| 适合行业 | |
| 发布作者 | 机器人网 |
| 最近更新 | 2023-05-27 18:12:55 |
概述:
文章详情
品牌名称NEVER | ||
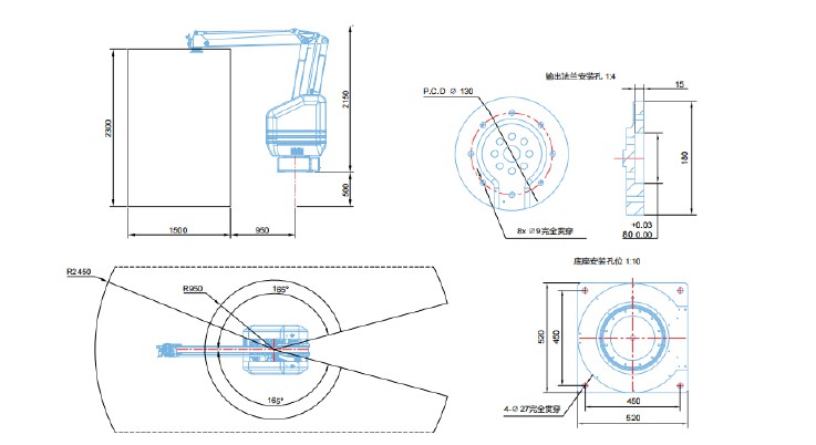
轴数4 | 精度0.1mm | 工作域2450mm |
负载80kg | ||
产品参数:
四轴、80kg和130kg,可选装五六轴 机型分别有: SAR80-2450-2300 SAR120-2450-2300 ★ 标准色:主副臂/灰白色,护罩/白色,连杆/蓝色,基座/蓝色。
结构形式
立式多关节机器人
自由度
四轴
有效负载
80kg/130kg
定制
五六轴
最大活动半径
2450mm
重复定位精度
±1mm
本体重量
450KG/750KG
电源容量
3.5 KVA/4.5 KVA
S 轴
330°
Z 轴
2300mm
X 轴
1600mm
T 轴
330°
温度
0~45℃
湿度
20-80%RH(不结露)
振动
4.9m/s²以下
环境条件
*不可涉及水、油、粉
SAR系列机器人应用:
广泛在(金属及机械加工、搬运、码垛、上下料、等)行业领域。
产品图纸:
