
| 适合行业 | |
| 发布作者 | 机器人网 |
| 最近更新 | 2023-05-27 18:12:56 |
概述:
文章详情
品牌名称BAOSONG | ||
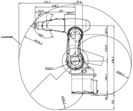
轴数6 | 精度0.02mm | 工作域743mm |
负载5kg | ||
产品介绍:J610为高精度的微小型垂直多关节机器人,采用轻量化设计,结构紧凑,响应快,性能稳定,安装方便,占地空间小,可快速投入生产。
产品特点:高性价比:垂直多关节结构优化设计,扩展应用方便;关键零部件均采购自一流供应商,产品性能优越。
操作编程:直观友好的示教器,可轻松完成搬运、组装、码垛等工艺的编程与维护。
安装方式
最大搬运8kg,最大臂展约743mm,水平安装,适应各种工作环境和工作空间的要求。
工作范围




技术参数
