
| 适合行业 | |
| 发布作者 | 机器人网 |
| 最近更新 | 2023-05-27 18:13:39 |
概述:
文章详情
品牌名称TIANJI | ||
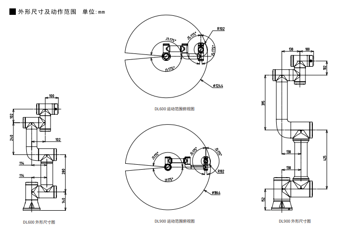
轴数6 | 精度0.03mm | 工作域650mm |
负载3kg | ||
易操作·模块化·部署快
安全协作,人机共融
天机协作机器人DL系列符合人机协同工作的安全要求,当碰撞力矩达到设定力矩上限时,机器人会及时停止,避免导致人员受伤,提升柔性部署能力。
拖拽示教,自主记录
零力拖拽示教,一键记录示教点,支持轨迹复现,自主实现路径记录,方便客户进行二次开发,操作便利,平板/电脑均可实现操作。
远程协作,实时监控
不局限于地理界线,支持远程编程控制协作,可通过移动终端对多台机器人本体进行控制。

