
| 适合行业 | |
| 发布作者 | 机器人网 |
| 最近更新 | 2023-05-27 18:13:40 |
概述:
文章详情
品牌名称TIANJI | ||
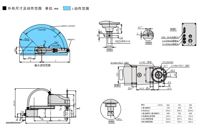
轴数4 | 精度0.02mm | 工作域600mm |
负载10kg | ||
高惯量·超高速·灵活配置
高惯量,更稳定
超大的R轴允许惯性力矩,最大0.35kg- m3,满足大负载需求,最大负载10kg,适用于搬运、贴标、锁付、涂胶、检测、.装配等场景。
高精度,高速度
重复定位精度土0.02mm,标准循环时问0.32s,最高速度达9500mm/s,7x24小时高速运转,效率始终如一。
灵活配置,柔性布局
臂展600/7oo/8o0mm可选,提供清洁型号。第二轴臂斜向出线,结构紧凑,减少安装空问,可根据产线需求柔性布局。

