
| 适合行业 | |
| 发布作者 | 机器人网 |
| 最近更新 | 2023-05-27 18:14:11 |
文章详情
品牌名称Fanuc | ||
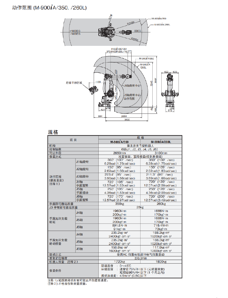
轴数6 | 精度0.1mm | 工作域3100mm |
负载260kg | 安装方式落地,倒挂,斜置 | |
特长
FANUC Robot M-9001B是可搬运质量为280kg~700kg的重型智能机器人。
可以根据用途从5种机型中选择最合适的机器人。
FANUC Robot M-9001B/700
可搬运质量为700kg的重型机器人。具有强劲的手腕和高刚性,适用于大型玻璃板等重型工件的搬运、飞机机身的钻孔以及铆接等应用。 FANUCRobot M-9001B/400L
可搬运质量为400kg、可达半径为37m的长臂型机器人。具有动作范围广的特点,可以用来搬运大型结构件或者汽车车身。 FANUC Robot M-9001B/360
可搬运质量为360kg的高速型机器人。具有紧凑的手腕和高速的动作性能,适用于搬运和点焊等应用。而且可以进行顶吊安装。 FANUC Robot M-9001B/280L
可搬运质量为280kg、可达半径为31m的长臀型机器人。而且可以进行顶吊安装。 -FANUCRobot M-9001B/280
与M-900iB/360具有同样的动作范围。是可搬运质量为280kg的高刚性机型。
手腕部具有与IP67相当的环境耐受性能(防尘、防水),即使在严酷的环境下也可以安心使用。
·通过和iRVision(内置视觉功能)进行配套,可以使用最新的智能化功能。
特长
FANUC Robot M-9001B是可搬运质量为280kg~700kg的重型智能机器人。
可以根据用途从5种机型中选择最合适的机器人。
FANUC Robot M-9001B/700
可搬运质量为700kg的重型机器人。具有强劲的手腕和高刚性,适用于大型玻璃板等重型工件的搬运、飞机机身的钻孔以及铆接等应用。 FANUCRobot M-9001B/400L
可搬运质量为400kg、可达半径为37m的长臂型机器人。具有动作范围广的特点,可以用来搬运大型结构件或者汽车车身。 FANUC Robot M-9001B/360
可搬运质量为360kg的高速型机器人。具有紧凑的手腕和高速的动作性能,适用于搬运和点焊等应用。而且可以进行顶吊安装。 FANUC Robot M-9001B/280L
可搬运质量为280kg、可达半径为31m的长臀型机器人。而且可以进行顶吊安装。 -FANUCRobot M-9001B/280
与M-900iB/360具有同样的动作范围。是可搬运质量为280kg的高刚性机型。
手腕部具有与IP67相当的环境耐受性能(防尘、防水),即使在严酷的环境下也可以安心使用。
·通过和iRVision(内置视觉功能)进行配套,可以使用最新的智能化功能。

