
| 适合行业 | |
| 发布作者 | 机器人网 |
| 最近更新 | 2023-05-27 18:16:10 |
概述:
文章详情
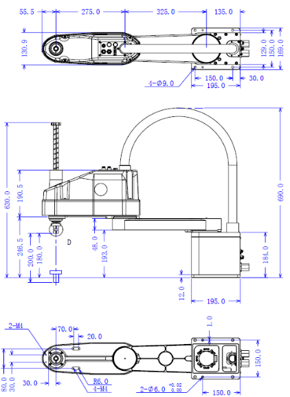
品牌名称BANRIN | ||
轴数4轴 | 精度0.02mm | 负载3kg |
四轴机器人-600mm-BR-LS6-602
由本润自行研发的四轴Scara机器人,占地面积小,易安装,操作简单运动覆盖范围广,主要适用分拣,抓取,搬运,封装物料,配合CCD视觉可进行物料追踪与定位,且效率高,寿命长等特点。


