
| 适合行业 | |
| 发布作者 | 机器人网 |
| 最近更新 | 2023-05-27 18:17:14 |
概述:
文章详情
品牌名称拓斯达 |
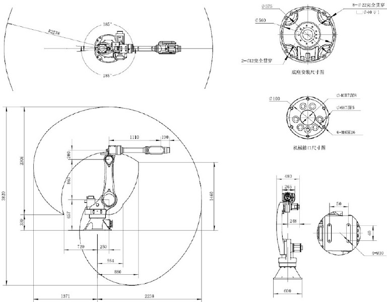
简介:简洁、灵活、轻盈、经久耐用。工作范围长达2238mm,较大的工作空间使用单台机器人可同时处理多条线路。
型号:R210-50
臂长:2238mm
负载:50KG
重复定位精度:±0.06mm
用途:适用于搬运、上下料等应用场景
TSR210-50工业机器人规格参数:

TSR210-50工业机器尺寸:

简介:简洁、灵活、轻盈、经久耐用。工作范围长达2238mm,较大的工作空间使用单台机器人可同时处理多条线路。
型号:R210-50
臂长:2238mm
负载:50KG
重复定位精度:±0.06mm
用途:适用于搬运、上下料等应用场景
TSR210-50工业机器人规格参数:

TSR210-50工业机器尺寸:
