
| 适合行业 | |
| 发布作者 | 机器人网 |
| 最近更新 | 2023-05-27 18:17:16 |
概述:
文章详情
品牌名称拓斯达 | ||
轴数6 | 安装方式落地,壁挂,悬挂 | |
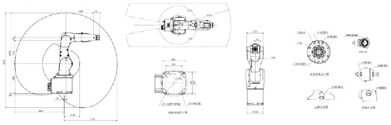
简介:适于安装在密集作业区域、封闭式狭小空间内,广泛应用于组装、安装、安插、紧固、拣选、放置、搬运、分配、涂胶、粘合、密封、上下料、打磨、抛光等。
型号:TSR071-06
臂长:710mm
负载:6KG
重复定位精度:±0.02mm
用途:应用于组装、安装、安插、紧固、拣选、放置、搬运等
TSR071-06机器人参数:

TSR071-06机器人尺寸:
