
| 适合行业 | |
| 发布作者 | 机器人网 |
| 最近更新 | 2023-05-27 18:17:16 |
概述:
文章详情
品牌名称拓斯达 |
简介:
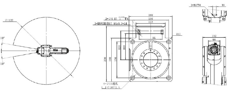
标准循环时间小于0.36s,满足追求最短循环时间和最高产量的需求,可在最小的空间上实现最高的性能。占地面积180mmx180mm, 最小工作半径仅145.6 mm, 减少占用底座空间的面积, 保证手边作业布局紧凑, 非常适用于3C领域等高度精密生产作业。
型号:TSR056-03
臂长:560mm
负载:3KG
重复定位精度:±0.02mm
用途:搬运、上下料等高精密作业
TSR056-03机器人规格参数:

TSR056-03机器人尺寸:


简介:
标准循环时间小于0.36s,满足追求最短循环时间和最高产量的需求,可在最小的空间上实现最高的性能。占地面积180mmx180mm, 最小工作半径仅145.6 mm, 减少占用底座空间的面积, 保证手边作业布局紧凑, 非常适用于3C领域等高度精密生产作业。
型号:TSR056-03
臂长:560mm
负载:3KG
重复定位精度:±0.02mm
用途:搬运、上下料等高精密作业
TSR056-03机器人规格参数:

TSR056-03机器人尺寸:

