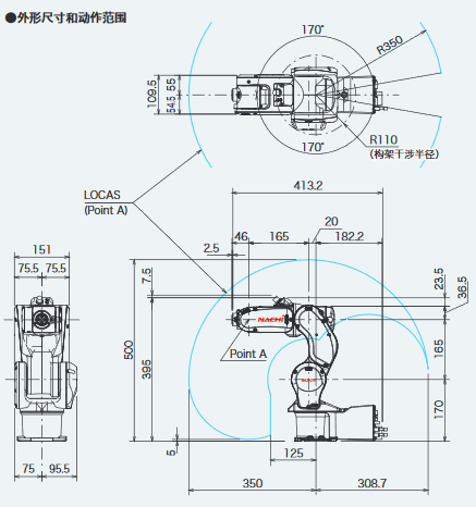
网站首页 > 产品展示 > 协作机器人 > 那智MZ01 6轴 负载1kg工作域350mm 搬运,装配协作机器人 2023-05-27 机器人网 0 百度一下 2023-05-27 机器人网 0 百度一下 适合行业 协作机器人 发布作者 机器人网 最近更新 2023-05-27 18:20:04 概述: 文章详情 品牌名称Nachi 联系我们: 不二越(中国)有限公司 ☉本站某些信息具有时效性,若有错误或已失效,需要更改请留言修改
相关信息 钛虎Arm-1 协作机器人 1kg2023-05-27 18:29:00 海默机器人 HM06 6Kg 六轴协作机器人2023-05-27 18:27:33 海默机器人 HM12 12Kg六轴协作机器人2023-05-27 18:27:32 川崎机器人 MS系列 MS005N 负载5kg 机器人 医药协作机器人2023-05-27 18:22:35 川崎机器人 MC系列 MC004N 6轴 负载4kg 医药协作机器人2023-05-27 18:22:34 埃斯顿ER10-900-MI/4 4轴 负载10KG 工作域900mm 精度±0.05mm 搬运/装配 协作机器人2023-05-27 18:21:58