
| 适合行业 | |
| 发布作者 | 机器人网 |
| 最近更新 | 2023-05-27 18:21:00 |
概述:
文章详情
品牌名称DENSO | ||
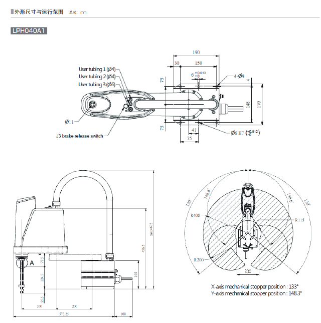
轴数4轴 | 精度0.02mm | 工作域700mm |
负载7kg | 安装方式落地 | |





| 适合行业 | |
| 发布作者 | 机器人网 |
| 最近更新 | 2023-05-27 18:21:00 |
品牌名称DENSO | ||
轴数4轴 | 精度0.02mm | 工作域700mm |
负载7kg | 安装方式落地 | |



