
| 适合行业 | |
| 发布作者 | 机器人网 |
| 最近更新 | 2023-05-27 18:21:15 |
概述:
文章详情
品牌名称CHAIFU |
高速冲压搬运机器人
演示设备
SF25-K1760
循环时间更短
能够缩短周期时间并提高生产线和袋子码垛的生产率。
占地面积小,产量高
紧凑设计使托盘可以更靠近机器人放置
拥有成本低,生产率提高
该机器人坚固耐用的设计确保了正常运行时间长且维护成本低。
完整的码垛解决方案
通过所有元素的共同作用,优化了路径精度,以确保不仅可以非
常快速地处理您的产品,而且可以全力以赴。
SF25-K1760搬运机器人技术参数:

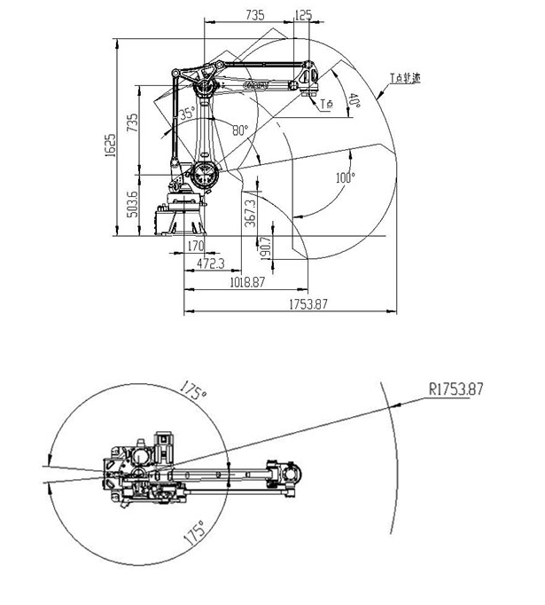
SF25-K1760搬运机器人运动范围图:

SF25-K1760搬运机器人外观及安装尺寸:
