
| 适合行业 | |
| 发布作者 | 机器人网 |
| 最近更新 | 2023-05-27 18:21:33 |
概述:
文章详情
品牌名称遨博 | ||
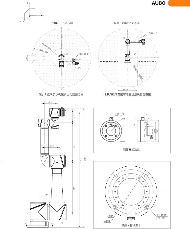
轴数6 | 精度0.03mm | 工作域1122.5mm |
负载7kg | 安装方式倒挂 | |



| 适合行业 | |
| 发布作者 | 机器人网 |
| 最近更新 | 2023-05-27 18:21:33 |
品牌名称遨博 | ||
轴数6 | 精度0.03mm | 工作域1122.5mm |
负载7kg | 安装方式倒挂 | |

