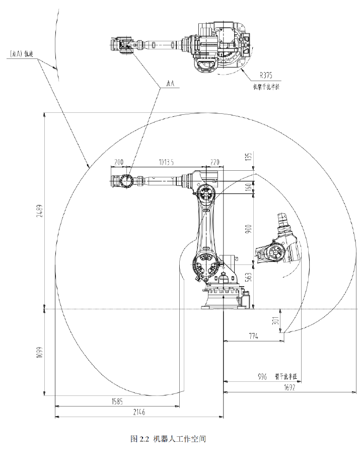
网站首页 > 产品展示 > 工业机器人 > 埃夫特ER50A-C10 6轴 负载50kg 工作域2146mm 切割/上下料/搬运 通用机器人 2023-05-27 机器人网 0 百度一下 2023-05-27 机器人网 0 百度一下 适合行业 工业机器人 发布作者 机器人网 最近更新 2023-05-27 18:21:51 概述: 文章详情 品牌名称Efort 轴数6 工作域2146mm 负载50kg 安装方式落地,支架 联系我们: 埃夫特智能装备股份有限公司 ☉本站某些信息具有时效性,若有错误或已失效,需要更改请留言修改
相关信息 锐曼拖地机器人(蜗牛洁霸)2023-05-27 18:44:53 欧铠复合机器人 激光SLAM导航 负载500kg 精度±10mm 复合机器人2023-05-27 18:43:31 智亿 06A-090 6轴 负载6kg 精度±0.08mm 搬运、上下料通用机器人2023-05-27 18:43:29 巨轮 JLRB300 6轴 负载300kg 精度±0.3mm 焊接、码垛通用机器人2023-05-27 18:43:26 卓林 CR5-1500 6轴 负载5kg 精度±0.05mm 搬运、码垛、上下料、焊接通用机器人2023-05-27 18:43:25 卓林 CR25-1900 6轴 负载25kg 精度±0.05mm 搬运、码垛、上下料、焊接通用机器人2023-05-27 18:43:25