
| 适合行业 | |
| 发布作者 | 机器人网 |
| 最近更新 | 2023-05-27 18:22:17 |
概述:
文章详情
品牌名称STEP | ||
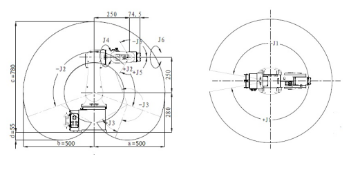
轴数6轴 | 精度0.03mm | 工作域500mm |
负载3kg | 安装方式落地,斜置,悬挂 | |
产品名称:新时达桌面机器人
产品型号:SD3/500
关键词:桌面机器人,小型机械手臂,协作机器人
产品简介:
SD系列桌面工业机器人外形小巧、体积小、重量轻,是最适合用于组建小型单元的机器人,能够高速、高精度的完成上下料、分拣、装配等各项工作。同时SD系列机器人所有线缆内置,能够在狭小的空间内灵活的进行作业,安装方式可以选择为地面安装、挂装、倒装。
SD500特性:手腕额定负载3Kg,最大负载5Kg,最大工作半径为500mm。
产品特点:
重量轻
运行速度快
重复定位精度高
内置线缆
产品应用:
——物料搬运
更大的灵活性,更稳定的性能,更低的能耗;
具有高速性能的最大化吞吐量;
超长的工作运行时间;
节省地面空间。
——装配
高速度、高重复定位精度;
节省地面空间;
超长的工作运行时间。

