
| 适合行业 | |
| 发布作者 | 机器人网 |
| 最近更新 | 2023-05-27 18:22:18 |
文章详情
品牌名称STEP | ||
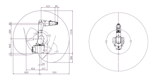
轴数6轴 | 精度0.03mm | 工作域919mm |
负载8kg | 安装方式落地,斜置,悬挂 | |
产品名称:新时达桌面机器人
产品型号:SD8/900
关键词:桌面机器人,小型机械手臂,协作机器人
产品简介:
新型SD8/900机器人,优良的结构设计和精确地定位精度,针对打磨,和机床上下料的应用有着很高的易用性,是3C等行业的优质之选。
全新SD8/900机器人是SD系列桌面型工业机器人,拥有体积小、重量轻的优势。机型采用轻量式手臂设计,机械臂稳健、牢靠,负载可达8kg。机器人机械结构紧凑、简洁、灵活、轻盈,手臂臂展,同时还具备极高的精确度,重复定位精度达±0.03mm,性能稳定可靠,高速的运动关节,大幅优化运行空间,使其能在狭小工作空间内进行灵活地作业,短期内即可收益,满足柔性化生产。防护等级高达IP67,可以完美的地应对恶劣的生产环境。该产品专为打磨、搬运、装配等低负载的工艺工作制定,特别适用于需求高度重复性、高精度的工艺应用场合。
SD8/900特性:手腕额定负载8Kg,最大工作半径为919mm。
产品特点:
重量轻
运行速度快
重复定位精度高
性能稳定可靠
内置线缆
产品应用:
搬运
小机器人,大负载;
极高的重复定位精度;
开放的机器人系统,可开发多种搬运程序;
多轴联动特性性,适合多种多样的工艺方式。
装配
支持视觉、力觉等职能传感设备;
极高的重复定位精度;
多轴联动,支持各种柔性生产。
机床
极高的重复定位精度;
较大的负载能力,可配备夹具多种多样;
多轴联动特性性,适合多种多样的工艺方式。
打磨
极高的重复定位精度;
较大的负载能力,可与市场上大部分机器人打磨工具相匹配;
多轴联动特性性,适合多种多样的工艺方式;
优秀的IP防护等级,针对恶劣的工作环境有着优异的表现。

