
| 适合行业 | |
| 发布作者 | 机器人网 |
| 最近更新 | 2023-05-27 18:22:29 |
概述:
文章详情
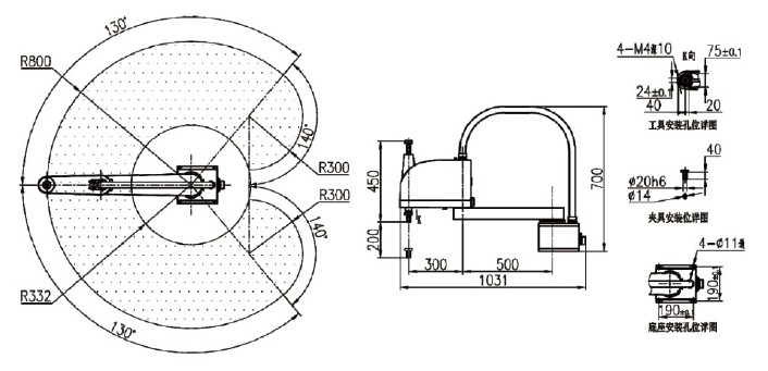
品牌名称STEP | ||
轴数4轴 | 工作域800mm | 负载10kg |
安装方式落地 | ||
产品名称:新时达SCARA机器人
产品型号:AR8520
关键词:SCARA机器人,平面机械手,水平多关节机器人
产品描述
该机器人是新时达具有完全自主产权的多关节四轴机器人,采用高性能控制器,可控制机器人实现高速点位运动,空间直线插补运动、空间圆弧插补等功能,适用于搬运、上下料、点焊、涂胶等多种工业场合。
功能特性
适应工业场合,能够稳定的长时间无故障运行;
能够大批量生产;
价格上适应我国国情,满足企业成本核算需求;
适用于企业中简单、重复的小载荷搬运工位,效率高,节省成本;
采用新时达高性能控制器,可控制机器人实现高速点位运动,空间直线插补运动,空间圆弧插补等功能;
系统扩展性强,参数配置简单,易于维护;
基于高性能处理芯片的机器人功能部件保证了系统的实时控制与调度,实现多伺服功能部件的联动与插补;
系统界面简洁大方,提供丰富的显示及监控信息;
机器人语言指令系统简单易学,能满足绝大部分工业需求。
应用领域
金属加工行业:冲床上下料,CNC上下料,工件打磨,去毛刺;
电子产品行业:组装,IC芯片的测试搬运,点焊,PCBA焊锡,涂胶,打螺丝,插件,工件打磨;
汽车、摩托车零部件行业:搬运,涂胶,点焊;
LCD/LED和玻璃行业:玻璃板的搬运,LCM模组的组装,硅晶片、显示屏的搬运;
激光行业:点焊,切割;
家电行业:家电产品的组装、搬运,打螺丝;
科研领域:学生教学,学校科研开发。

