
| 适合行业 | |
| 发布作者 | 机器人网 |
| 最近更新 | 2023-05-27 18:27:41 |
概述:
文章详情
品牌名称NEVER | ||
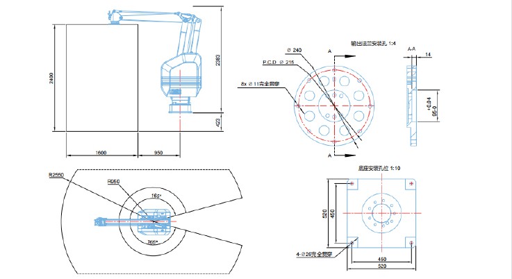
轴数4 | 精度0.1mm | 工作域2550mm |
负载130kg | ||
产品参数:
四轴、SAR130-2550-2400,可选装五六轴 ★ 相对SAR120-2450-2300,本机型速度更快并且行程略大 ★ 标准色:主副臂/灰白色,护罩/白色,连杆/蓝色,基座/蓝色
结构形式
立式多关节机器人
自由度
四轴
有效负载
130kg
定制
五六轴
最大活动半径
2550mm
重复定位精度
±1mm
本体重量
780kg
电源容量
5.5 KVA
S 轴
330°
Z 轴
2400mm
X 轴
1600mm
T 轴
330°
温度
0~45℃
湿度
20-80%RH(不结露)
振动
4.9m/s²以下
环境条件
*不可涉及水、油、粉
案例展示:

产品图纸:
