|
适合行业
|
装配机器人 |
|
发布作者
|
机器人网 |
|
最近更新
|
2023-05-27 18:18:23 |
概述:
文章详情
产品简介:
SD系列桌面工业机器人外形小巧、体积小、重量轻,是最适合用于组建小型单元的机器人,能够高速、高精度的完成上下料、分拣、装配等各项工作。同时SD系列机器人所有线缆内置,能够在狭小的空间内灵活的进行作业,安装方式可以选择为地面安装、挂装、倒装。
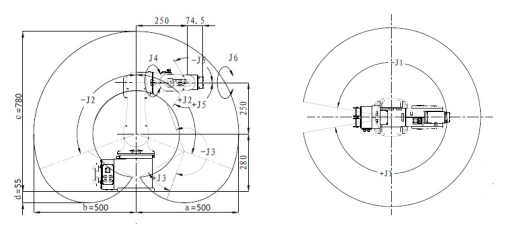
SD500特性:手腕额定负载3Kg,最大负载5Kg,最大工作半径为500mm。
产品特点:
重量轻
运行速度快
重复定位精度高
内置线缆
产品应用:
——物料搬运
更大的灵活性,更稳定的性能,更低的能耗;
具有高速性能的最大化吞吐量;
超长的工作运行时间;
节省地面空间。
——装配
高速度、高重复定位精度;
节省地面空间;
超长的工作运行时间。


产品简介:
SD系列桌面工业机器人外形小巧、体积小、重量轻,是最适合用于组建小型单元的机器人,能够高速、高精度的完成上下料、分拣、装配等各项工作。同时SD系列机器人所有线缆内置,能够在狭小的空间内灵活的进行作业,安装方式可以选择为地面安装、挂装、倒装。
SD500特性:手腕额定负载3Kg,最大负载5Kg,最大工作半径为500mm。
产品特点:
重量轻
运行速度快
重复定位精度高
内置线缆
产品应用:
——物料搬运
更大的灵活性,更稳定的性能,更低的能耗;
具有高速性能的最大化吞吐量;
超长的工作运行时间;
节省地面空间。
——装配
高速度、高重复定位精度;
节省地面空间;
超长的工作运行时间。


联系我们:
上海新时达机器人有限公司
☉本站某些信息具有时效性,若有错误或已失效,需要更改请
留言修改