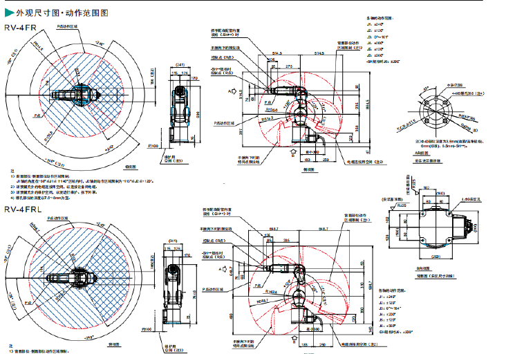
网站首页 > 产品展示 > 装配机器人 > 三菱电机RV-4FRL 6轴 负载4kg工作域649mm 搬运,装配装配机器人 2023-05-27 机器人网 0 百度一下 2023-05-27 机器人网 0 百度一下 适合行业 装配机器人 发布作者 机器人网 最近更新 2023-05-27 18:19:38 概述: 文章详情 品牌名称Mitsubishi 联系我们: 三菱电机自动化(中国)有限公司 ☉本站某些信息具有时效性,若有错误或已失效,需要更改请留言修改
相关信息 大研机器人 六轴机器人(UMINI系列/OSAKA系列) U6-0205/R6-0205 装配机器人2023-05-27 18:43:26 大研机器人 六轴机器人(UMINI系列/OSAKA系列) U6-0607/R6-0607 装配机器人2023-05-27 18:43:25 大研机器人 四轴机器人(UMINI系列/OSAKA系列) U4-0405/R4-0405 装配机器人2023-05-27 18:28:20 三菱电机RV-2FRL 6轴 负载2kg工作域 649mm 搬运,装配装配机器人2023-05-27 18:19:39 三菱电机RV-2FR 6轴 负载2kg工作域 504mm 搬运,装配装配机器人2023-05-27 18:19:39 三菱电机RV-4FRL 6轴 负载4kg工作域649mm 搬运,装配装配机器人2023-05-27 18:19:38