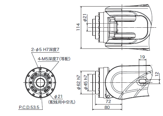
网站首页 > 产品展示 > 装配机器人 > 那智MZ04 6轴 负载4kg 工作域541mm 装配/上下料/搬运/包装 装配机器人 2023-05-27 机器人网 0 百度一下 2023-05-27 机器人网 0 百度一下 适合行业 装配机器人 发布作者 机器人网 最近更新 2023-05-27 18:18:37 概述: 文章详情 品牌名称Nachi 中空手腕的巧妙电缆排线通过中空结构的手腕*智能地对机械手电缆进行配线。通过简洁的穿插配线防止与周围的装置干扰,设备的可靠性大幅提高。紧凑,宽大的动作范围轻量紧凑型机械手使设备更加简单,为省空间化做出了贡献。MZ04进一步追求紧凑性。设置面积是MZ07的一半(A5纸大小)。最高级别的动作速度,提高生产率采用轻型机械手及最新的控制技术,实现了同级别最快的动作性能。提高了生产性。外形精炼平滑采用不容易积存尘埃,容易擦拭的设计。巧妙的电缆布线在中空手腕内抓手用的配线,配管可有序的收纳 联系我们: 不二越(中国)有限公司 ☉本站某些信息具有时效性,若有错误或已失效,需要更改请留言修改
相关信息 大研机器人 六轴机器人(UMINI系列/OSAKA系列) U6-0205/R6-0205 装配机器人2023-05-27 18:43:26 大研机器人 六轴机器人(UMINI系列/OSAKA系列) U6-0607/R6-0607 装配机器人2023-05-27 18:43:25 大研机器人 四轴机器人(UMINI系列/OSAKA系列) U4-0405/R4-0405 装配机器人2023-05-27 18:28:20 三菱电机RV-2FRL 6轴 负载2kg工作域 649mm 搬运,装配装配机器人2023-05-27 18:19:39 三菱电机RV-2FR 6轴 负载2kg工作域 504mm 搬运,装配装配机器人2023-05-27 18:19:39 三菱电机RV-4FRL 6轴 负载4kg工作域649mm 搬运,装配装配机器人2023-05-27 18:19:38