
| 适合行业 | |
| 发布作者 | 机器人网 |
| 最近更新 | 2023-05-27 18:18:46 |
概述:
文章详情
品牌名称Kawasaki |
RS010L机器人
高速、高性能的行业机器人
R系列机器人为所有小中型工业机器人设定了基准。紧凑的设计和杰出的速度、伸展距离和工作范围使R系列机器人适用于遍及众多不同行业的广泛应用范围。
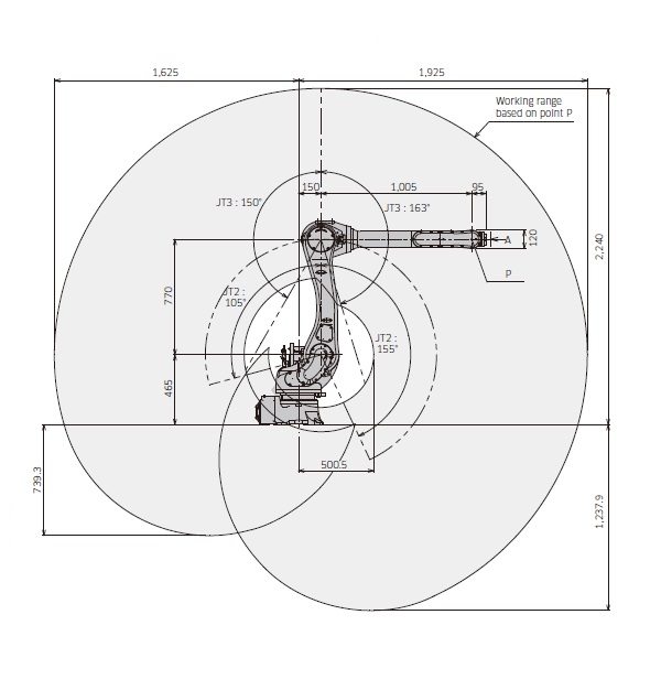
动作范围与尺寸
点击下面的图片来查看。图中所示尺寸单位为毫米(mm)。



